Description
Description
The ERP Power PSB30W-0700-42-S is a 30W programmable constant current LED driver designed for compact fixtures requiring flexible output and dimming compatibility.
-
Key Features
- 30W programmable LED driver
- 700mA nominal output
- Tri-Mode dimming
- Compact “-S” case style
- Ideal for fixture integration
Specifications
Specifications
| Attribute | Specification |
|---|---|
| Brand | ERP Power |
| Product Code | PSB30W-0700-42-S |
| Input Voltage | 120–277VAC |
| Input Frequency | 50/60Hz |
| Max Output Power | 30W |
| Output Current Range | Programmable |
| Output Voltage Range | 24–42VDC |
| Efficiency | Up to 88% |
| Power Factor | ≥0.95 |
| THD | <15% |
| Inrush Current | <25A |
| Operating Temperature | -20°C to +50°C |
| Case Temperature (Tc) | 85°C max |
| Output Protection | Short circuit, overload, thermal |
| Dimming Control | Tri-Mode |
| Dimming Range | 1% – 100% |
| Advanced Features | Programmable output |
| Enclosure Rating | IP20 |
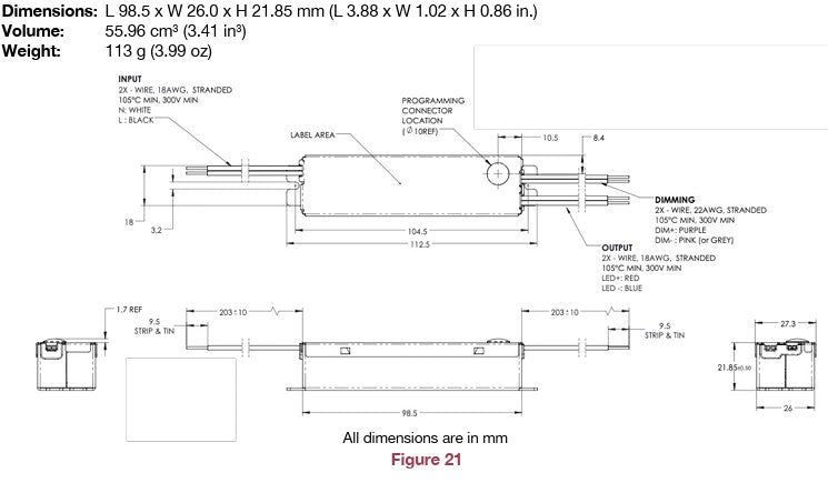
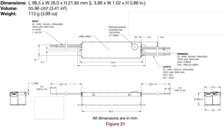
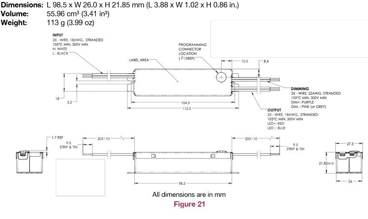
| Dimensions | ~6.0" x 1.7" x 1.1" |
| Mounting Length | ~5.6" |
| Certifications & Compliance | UL, FCC, RoHS |
| Sound Rating | Class A |
| Warranty | 5 Years |
Payment & Security
Payment methods
Your payment information is processed securely. We do not store credit card details nor have access to your credit card information.





